在全球儿童健康领域,中耳炎等耳部感染及相关疾病始终占据着高发病率的显著位置,成为困扰无数家庭与医疗工作者的难题。精准、高效且微创的中耳道可视化检查技术,对于疾病的准确诊断与后续有效治疗而言,无疑具有至关重要意义。在此背景下,瑞萨开发出一款先进的数字耳镜(中耳镜)系统,为耳部健康检查带来了全新解决方案。
灵活设计,满足多元需求
此款数字耳镜系统在设计上充分考虑到不同场景下的使用需求,既可作为无线手持设备,让医生在检查过程中行动自如,不受线缆束缚;也能连接到显示台,摇身一变成为有线耳镜,提供稳定的操作环境。
数字耳镜系统的可控摄像头尖端宛如医生的“智慧之眼”,可灵活调角深入耳道各处。集成白光LED照明灯恰似明亮的“探照灯”,提供充足均匀光线,提升可视度,助医生看清耳道细微结构。此外,设备能将高分辨率视频传至显示器或移动设备,实现对中耳精准检查,为诊断治疗提供可靠依据。
卓越系统优势,助力精准诊断
瑞萨数字耳镜解决方案优势显著,适用于耳镜、带摄像头耳垢清洁设备。其全高清视频显示屏支持H.264和H.265编码;双核或四核Arm Cortex®-A55 CPU实时输出清晰影像,助医生敏锐识别耳道异物、感染迹象,不放过细微病变。
集成Wi-Fi/低功耗蓝牙®模块可实现视频的无线传输功能。医生只需将视频传输至智能手机或平板电脑上,就能随时随地进行移动设备检查,打破了时间和空间限制,大大提高了检查的便捷性和灵活性。
板载SD卡可实现图像抓拍与视频录制,便于医生病历存档、记录整理及患者教育。系统还支持选配带Arm® Ethos™-U55 NPU的AI推理功能,能实时分析,快速识别病症,为诊断提供辅助,提升准确性与效率。
核心部件协同,保障稳定运行
数字耳镜系统的稳定运行离不开其核心部件——MPU、多通道电源管理IC、手持式电源系统、升降压稳定器(集成式FET)、LED背光驱动器以及低功耗Wi-Fi等的协同工作。

MPU选用瑞萨RZ系列,含64位与32位型号RZ/G3E。它集成四核CPU与NPU,提升人机界面(HMI)应用能效、可靠性和安全性,还具备丰富功能,如GPU、视频编解码器等。1.8GHz的Cortex®-A55四核可并行运行HMI与边缘计算,搭配Cortex®-M33内核,可实现高性能与低功耗的融合。

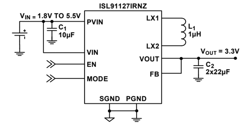
升降压稳定器(集成式FET)选用瑞萨ISL91127,是一款配备4.5A开关的高效稳压器。它采用瑞萨专有的降压-升压算法,能在输入电压接近输出电压时维持出色的电压调节,提供非常低的输出电压纹波。在2.5V至4.35V电池电压范围内,它可提供至少2A的连续输出电流(VOUT = 3.3V),最大限度提高电池能量利用率,在所有负载条件下优化效率。


多通道电源管理IC选用瑞萨高性能的RAA215300,它有9通道,支持DDR存储器,还集成充电器与实时时钟(RTC),并适配多种内存供电接口。其内部多种组件,为系统级模块提供了集成度高、体积小的优质电源方案。
瑞萨DA9168单节1.5A电池充电器BMIC,具有20mA端接电流、超低静流反向升压及I2C功能。作为可配置BMIC,它集成双LDO与反向升压,支持USB-OTG,小尺寸下静流消耗极低,适配空间受限的电池供电消费应用。
电池电量计采用瑞萨RAJ240090GFP 3至8节串联锂离子电池电量计IC,并搭载瑞萨RL78 CPU内核,以多种低功耗模式在超低功耗运行中发挥高性能,为电池电量精准监测提供有力保障。
瑞萨DA16600MOD超低功耗Wi-Fi+低功耗蓝牙™(LE)组合模块,集成DA16200 Wi-Fi SoC与DA14531蓝牙LE SoC,单模块设计,轻松助力设备实现长电池续航与低功耗运行。
瑞萨ISL97671A是6通道45V双调光LED驱动器支持SMBus/I2C或PWM调光控制。它可驱动六路LED,输入4.5V-26.5V时输出最高45V,自举配置下3V输入也能输出至26.5V,为LED照明提供稳靠驱动方案。
总之,这款先进的数字耳镜解决方案凭借其灵活的设计、卓越的系统优势以及核心部件的协同工作,为中耳炎等耳部感染及相关疾病的诊断和治疗带来了革命性的变化。它不仅提高了诊断的准确性和效率,还为患者提供了更加舒适、便捷的检查体验,有望成为未来耳部健康检查的主流工具,引领耳部医疗领域迈向新的高度。
Previous:华润微电子第四代SiC MOS主驱模块批量上车
Online messageinquiry
| model | brand | Quote |
|---|---|---|
| BD71847AMWV-E2 | ROHM Semiconductor | |
| MC33074DR2G | onsemi | |
| TL431ACLPR | Texas Instruments | |
| CDZVT2R20B | ROHM Semiconductor | |
| RB751G-40T2R | ROHM Semiconductor |
| model | brand | To snap up |
|---|---|---|
| ESR03EZPJ151 | ROHM Semiconductor | |
| TPS63050YFFR | Texas Instruments | |
| BU33JA2MNVX-CTL | ROHM Semiconductor | |
| IPZ40N04S5L4R8ATMA1 | Infineon Technologies | |
| BP3621 | ROHM Semiconductor | |
| STM32F429IGT6 | STMicroelectronics |
Qr code of ameya360 official account
Identify TWO-DIMENSIONAL code, you can pay attention to
Please enter the verification code in the image below: