在伺服驱动器的相电流采样中,速度波动是影响控制精度的关键问题,其根源往往与 Shunt 电阻的热电偶效应相关。本文以纳芯微 NSI1306 隔离 ΣΔADC 的应用为例,首先剖析 Shunt 电阻误差如何引发速度波动,再深入解析金属热电偶效应的形成机理;随后对比几字型与贴片封装等不同 Shunt 电阻的表现差异,以及探讨采样电路对热电偶效应的放大或抑制作用;最后提出减小该效应的实用设计建议,为提升相电流采样精度提供参考。
01 Shunt 电阻误差的影响
速度波动是伺服驱动器性能的重要指标,它反映的是转矩波动,而转矩波动会导致控制精度下降。
伺服驱动器通过角度编码器读取速度和角度,并通过相电流检测读取电流,采样信息的准确性决定了控制的效果。以下分析侧重电流采样。

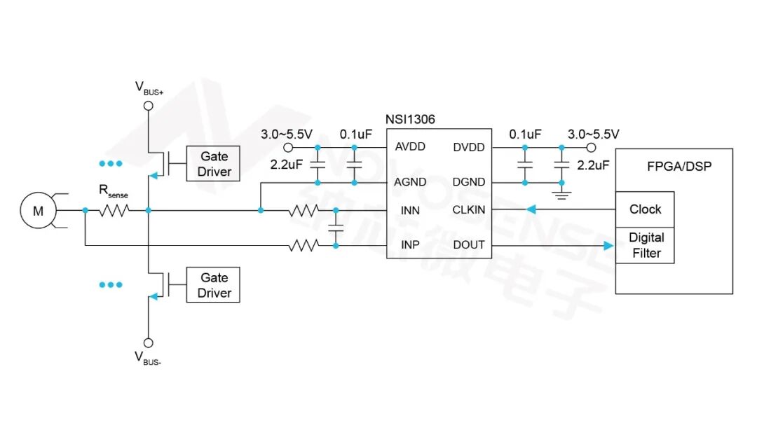
图1. NSI1306 电路示意
相线电流采样可以真实反映电机的电流,而低边采样存在窗口期,需要重构相电流,容易引入误差。NSI1306 作为隔离 ΣΔADC,输出码流,适用于相线电流采样;同时 MCU 可根据控制需求灵活配置抽取率,在精度与响应速度之间取得平衡。
相电流采样的误差主要来自 Shunt 电阻和 NSI1306,下文将重点讨论 Shunt 电阻带来的误差。
通过电阻的规格书,电阻的精度和温漂属于增益误差;此外,还存在由热电偶效应引起的偏置(offset)误差。增益误差主要影响的是转矩控制精度,电流的 offset 误差会引入一个电周期一次的速度波动。
在零电流时会校准一次相电流的 offset,运行过程中会计算每一相电流的 offset(一个周期的值相加)并且补偿掉,如果是采样数据不准,引入了 offset,那么经过软件的补偿,反而会导致真正的相电流 offset,破坏电流波形的对称性,引入谐波分量,改变磁场分布,从而导致电机转矩输出不均匀,进而产生转矩波动,导致速度波动。相电流偏移的软件补偿是一个电周期补偿一次,所以速度波动也是一个电周期一次。
02 金属的热电偶效应
在实际场景中,伺服驱动工作一段时间后速度波动变大,FFT 分析显示为一个电周期一次的速度波动,这是相电流的 offset 偏移造成的。
对 PCB 加热,速度波动加剧,以此推测该 offset 和温度强相关。经测试,更换 2512 贴片封装 Shunt 电阻后恢复正常,排查出是几字型 Shunt 电阻的问题。
加热对比测试,几字型 Shunt 电阻和贴片封装 Shunt 电阻的偏差都很小,并且电阻温漂改变的是增益,并不是 offset 。
加上焊锡后,如图2,再加热测试,几字型 Shunt 电阻的偏差变得很大。交换电桥的正负极,偏差呈现相反方向的变化,贴片封装 Shunt 电阻偏差还是很小。

图2. 几字型 Shunt 加上焊锡
根据实验结果,温度升高后,并不是电阻自身的阻值发生了较大的变化,而是存在比较大的热电偶效应。
热电偶效应如图3所示,不同的金属的自由电子的密度不同,在 AB 两金属的接触处,会发生自由电子的扩散现象。电子将从密度大的金属(A)移向密度小的金属(B),使 A 带正电, B 带负电,直至 AB 之前形成足够大的电场阻止电子扩散,达到动态平衡。


图3. 热电偶效应
从公式可以看出,热电偶效应产生的电压源大小和温度有关,和金属的材质有关。
在电路中,Shunt 电阻的热电偶等效示意如图4,对于几字型 Shunt 电阻和贴片封装 Shunt 电阻, V3、V4的位置是一样的,V1、V2位置略有不同,但很近。因此可以认为温度都是相等的。对热电偶效应有影响的只有金属材质,两者对比如表 1 所示。

图4. Shunt电阻的热电偶等效示意

表1. 几字型 Shunt 电阻和贴片封装 Shunt 电阻
03 电路对热电偶效应的影响
如图4,热电偶效应是两端对称的, NSI306 是差分采样,理论上可以抵消热电偶产生的信号源,但实测可以看到明显的热电偶效应。
分析采样电路,如图5所示,可以看到 RSENSE (检测电阻)的两端共模阻抗并不相同,接 INP 这一端的共模阻抗是大于 INN 端共模阻抗的,当上管导通的时候 INP 端的热电偶通过电感连接到 BUS+,上管关断的时候悬空;当上管导通的时候 INN 端的热电偶直接连接到 BUS+,下管导通的时候直接接到 BUS-。NSI1306 的 INN 端看到的热电偶电压明显小于 INP 端看到的热电偶电压。

图5. 分析采样电路
结论与建议
Shunt 电阻作为电流采样中的关键器件,其封装结构和焊接方式直接影响系统的偏移误差表现。
本文通过实测与理论分析,指出热电偶效应是高温下造成速度波动的重要干扰源,尤其在几字型封装中更为显著。差分采样虽然理论上可抵消热电偶电压,但在实际电路中由于共模阻抗不一致,仍会引入系统性偏移。因此,在高精度电流采样场景中,推荐优先选用热结构对称性更好、焊接界面更少的贴片封装Shunt电阻,以降低温漂与热电势干扰,提升系统稳定性与控制精度。
NSI1306 作为一款基于纳芯微电容隔离技术的高性能 Σ-Δ 调制器,其差分输入特性与该场景高度适配,能精准对接贴片封装 Shunt 电阻的电流检测需求,通过二阶Σ-Δ调制与同步输出,结合数字滤波可实现高分辨率与信噪比,还具备故障安全功能,进一步保障高精度采样系统的稳定运行。
Previous:瑞萨电子超低功耗RA0系列新增电容式触控功能MCU
Next:什么是热敏电阻?为什么它的用途那么广泛?
Online messageinquiry
| model | brand | Quote |
|---|---|---|
| RB751G-40T2R | ROHM Semiconductor | |
| BD71847AMWV-E2 | ROHM Semiconductor | |
| TL431ACLPR | Texas Instruments | |
| MC33074DR2G | onsemi | |
| CDZVT2R20B | ROHM Semiconductor |
| model | brand | To snap up |
|---|---|---|
| STM32F429IGT6 | STMicroelectronics | |
| TPS63050YFFR | Texas Instruments | |
| BP3621 | ROHM Semiconductor | |
| ESR03EZPJ151 | ROHM Semiconductor | |
| BU33JA2MNVX-CTL | ROHM Semiconductor | |
| IPZ40N04S5L4R8ATMA1 | Infineon Technologies |
Qr code of ameya360 official account
Identify TWO-DIMENSIONAL code, you can pay attention to
Please enter the verification code in the image below: