概述
随着5G、AI、生物识别的技术突飞猛进,对高清摄像头的使用场景和频率越来越高。AI测温、生活支付、远程医疗、远程办公的应用场景不断丰富。摄像头能实时清晰的传输画面尤为重要,所以极限场景下的清晰度和稳定性成为根本目标。
力芯微推出了针对摄像头AVDD供电的,超高PSRR、超低噪声、低静态功耗、高瞬态响应的低压差线性稳压器ET531XX。ET531XX使用1.0μF陶瓷输出电容器稳定,并使用精确的电压参考和反馈回路,在所有负载、线路、工艺和温度变化的最坏情况下实现2%的精度。它采用小型DFN4或SOT23-5封装,非常适合便携设备、手机和PDA等小型便携式设备。该产品已经通过全球头部品牌客户的全套验证,即将大量应用于主流品牌下一代旗舰手机的摄像头模组中,实际表现行业领先。
Feature
输入电压范围:1.9~5.5V
输出电压范围:1.2~4.5V
支持高达300mA负载电流
低静态电流15µA
超低Drop:135mV@2.8V/300mA
超高PSRR:80dB@1KHz
超低噪声:6.5uVrms @2.8V/300mA
极佳的输入和负载瞬态响应
具有输出短路、输出限流、过温保护和输出自动放电功能
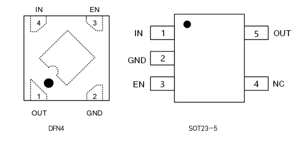
封装:DFN4(1×1)、SOT23-5
管脚定义

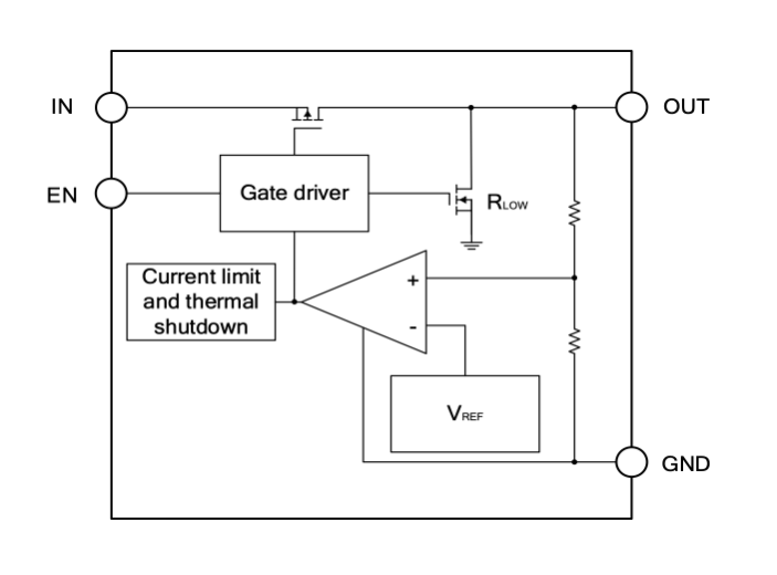
功能框图

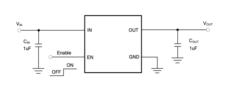
典型应用图

ET531XX核心特点
(1)ET531XX的PSRR在1KHz有81dB,从100KHz到1MHz的PSRR大于55dB,可以让摄像头在极暗的环境下有良好的成像表现,可以解决拍摄时的水波纹等异常。
PSRR(IOUT=20mA)
(2)ET531XX具有超低的噪声,可以给后级提供干净的电源。
(3)极佳的电源瞬态响应,避免了前级扰动对后级的影响。
(4)优秀的负载瞬态响应,给后级提供了稳定的电源输出。
(5)超低的VDROP和负载调整率,可以在很低的输入输出压差下工作,提供系统的工作效率。
Previous:力芯微推出内置200V浪涌保护的大载流能力OVP芯片
Next:商务部宣布:对14nm芯片稀土出口管制!
Online messageinquiry
| model | brand | Quote |
|---|---|---|
| RB751G-40T2R | ROHM Semiconductor | |
| CDZVT2R20B | ROHM Semiconductor | |
| MC33074DR2G | onsemi | |
| TL431ACLPR | Texas Instruments | |
| BD71847AMWV-E2 | ROHM Semiconductor |
| model | brand | To snap up |
|---|---|---|
| STM32F429IGT6 | STMicroelectronics | |
| ESR03EZPJ151 | ROHM Semiconductor | |
| BP3621 | ROHM Semiconductor | |
| BU33JA2MNVX-CTL | ROHM Semiconductor | |
| IPZ40N04S5L4R8ATMA1 | Infineon Technologies | |
| TPS63050YFFR | Texas Instruments |
Qr code of ameya360 official account
Identify TWO-DIMENSIONAL code, you can pay attention to
Please enter the verification code in the image below: